Проект дома AS-448
Проект дома AS-448
Проект содержит комплект чертежей для строительства и регистрации дома. Включает следующие данные:
- Общие характеристики дома
- Цветные и ч/б фасады с высотами
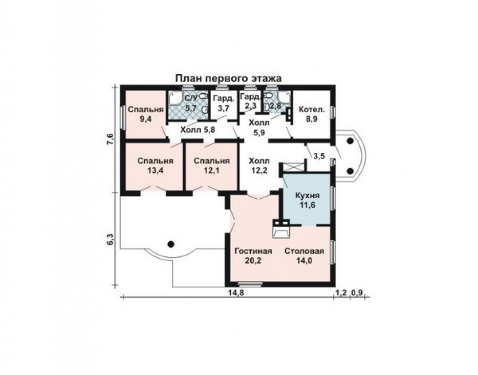
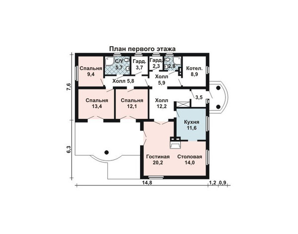
- Чертежи планов этажей с детальными размерами
- Разрезы дома в 2-х ракурсах с высотами
- План и схемы несущих элементов кровли
- Ведомость оконных и дверных блоков
- Чертежи фундамента
- Схемы устройства перекрытий этажей
- Кладочные планы этажей
- Экспликация полов
- Вентиляционные каналы и дымоходы
- Перемычки над окнами и проёмами
- Конструктивные узлы и детали
- Спецификации и расход материалов
- Прочие чертежи и технические данные для строительства дома от фундамента до кровли
Чтобы купить проект дома «Проект дома AS-448» от компании Экопан отправьте заявку по почте ecopan116@yandex.ru или позвоните по номеру +7 952 046–60–64.
Вам может понравиться









